Инсталляция для подвесного унитаза Geberit Duofix Delta (111.153.00.1 )
Инсталляция для подвесного унитаза Geberit Duofix Delta — это швейцарское качество и продуманная инженерная концепция для современного санузла. Монтажная рама с бачком скрытого монтажа позволяет создать стильное и функциональное пространство, облегчая уборку и экономя место.
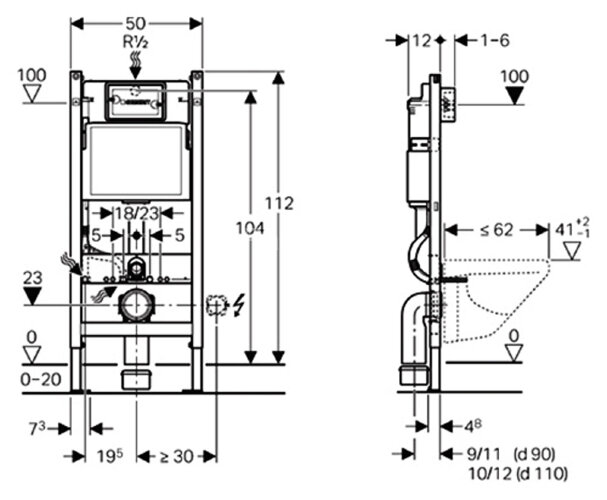
Конструкция шириной 50 см и высотой 112 см предназначена для встраивания перед стеной. Глубина системы составляет 18 см. Ножки инсталляции имеют бесступенчатую регулировку в диапазоне до 20 см, что обеспечивает точную установку по уровню даже в помещениях с неровным полом. Для крепления унитаза предусмотрено два варианта расстояния между болтами: 18 или 23 см, что обеспечивает совместимость с большинством моделей подвесных унитазов.
Сердцем системы является скрытый бачок с нажимным механизмом управления. Он оснащен системой двойного смыва с двумя кнопками, позволяющей экономно расходовать воду. Заводские настройки предполагают объем 6 и 3 литра, но при необходимости их можно скорректировать. Большой смыв настраивается в диапазоне 4,5/6/7,5 л, а малый — от 3 до 4 литров. Полезной опцией является функция «старт/стоп», которая позволяет прервать смыв в любой момент.
Подвод воды осуществляется сзади бачка на центральном подключении 1/2 дюйма. Прочная рама, выполненная из комбинации металла и пластика, выдерживает нагрузку до 400 кг. Вес комплекта составляет 13,6 кг.
- Монтажная рама
- Смывной бачок скрытого монтажа
- Механизм двойного смыва
- Резьбовые шпильки для крепления унитаза
- Угловой запорный вентиль
- Комплект для подвода воды
- Крепление для стока и коробка для окна обслуживания
Производитель из Швейцарии предоставляет на эту инсталляцию гарантию 10 лет, что подтверждает высочайшую надежность и долговечность продукции Geberit. Мы осуществляем доставку во все регионы.



































































































































































































































































































































